ProduitAdapteur inox Mâle JIC 9/16" x Mâle BSP 1/4"
Référence : 66.101.80.190604
Caractéristiques
| Matière : |
inox |
| Type de raccord JIC |
Adapteur |
| Orientation raccord JIC |
Droit |
| Matière Raccord |
Inox |
| Implantation JIC x ? |
JIC x BSP |
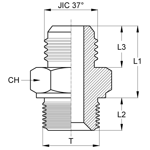
Fiche technique
| Pression de service (bar) |
350 |
| CH |
19 |
| DIAMETRE EXTERIEUR TUBE METRIQUE |
10 |
| L2 |
11 |
| FILETAGE T |
1/4” BSP |
| L1 |
23.4 |
| SOUS FAMILLE |
RACCORDS ET ADAPTEURS INOX JIC - SAE J514 - ISO 8434-2 |
| DIAMETRE EXTERIEUR TUBE GAZ |
3/8” |
| JIC 37° |
9/16”-18 |
| Orientation |
Droit |
| L3 |
14.1 |
| Désignation commune |
Adapteur inox Mâle JIC x Mâle BSP |
| Type de raccord |
Adapteur |
| Référence |
66.101.80.190604 |
| Désignation |
Adapteur inox Mâle JIC 9/16" x Mâle BSP 1/4" |